- 產品詳情
用途:
可以使用:民用設備,工業設備
推薦使用:處理器[ASIC / FPGA / xPU],光傳送裝置,光通信模塊,服務器,存儲,開關,基站,工業設備
外觀形狀:

規格:
| Iout (A)Max | 40A |
|---|---|
| Vin(V) | 7.5V to 15V |
| Vin(V)typ | 12V |
| Vout (V) | 0.7V to 1.2V |
| Vout (V)typ | 0.7V |
| 線性調整率 (%) | -0.5% to 0.5% |
| 負載調整率 (%) | -0.5% to 0.5% |
| 輸出數 (#) | 1 |
| 效率(%) | 79.8% |
| 開關頻率 (kHz) | 400kHz |
| 尺寸 (mm)W | 9.0mm |
| 尺寸 (mm)L | 10.5mm |
| 尺寸 (mm)T | 5.0mm |
| 工作溫度(degC) | -40℃ to 105℃ |
| Circuit topology | Buck(Step-down) |
| 封裝 | SMD |
| 類型 | Modules (integrated components) |
| 產品系列 | MYMGM |
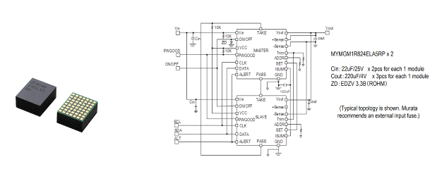
| 產品系列特點 | MYMGM series which is POL(Point of Load) is single output MonoBK with PMBus |
| 品牌 | Murata |
特點:
輸入電壓范圍:7.5 ~ 15V
可設置輸出電壓從0.7到1.2V
2個模塊采用多相操作,輸出電流可達40A
對負荷變化的快速瞬態響應
小包裝,9 x 10.5 x 5mm
過流保護
使控制
信號良好
高可靠性/熱沖擊測試,700循環(-40至+125℃)
PMBus接口可用