Torex XCL232系列同步降壓微型DC/DC轉換器
發布時間:2024-11-18 08:49:18 瀏覽:811
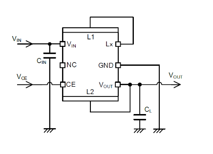
Torex公司的XCL232系列為同步降壓微型DC/DC轉換器,集成電感器與控制IC。采用超低電流消耗電路和PFM控制技術,封裝集成IC和線圈,僅需兩個外部電容器就能配置電源。該系列具備超低功耗電路,輸出電壓范圍為0.5V - 3.6V,有內部欠壓鎖定(UVLO)功能,還帶有D型輸出電容器放電功能。

應用
- 智能電表
- 低功耗射頻設備
- 傳感器模塊
- 可穿戴設備等多種設備
產品特點
輸入電壓:1.8V - 6.0V
輸出電壓設置:0.5V - 1.9V(0.05V增量)、2.0V - 3.6V(0.1V增量)
輸出電壓精度:±20mV(VOUT ≤ 1.0V)、±2.0%(VOUT>1.0V)
輸出電流:150mA
待機電流:200nA(VOUT = 1.8V)
控制模式:PFM控制
效率:86%(特定條件下)
放電功能:D型電容器放電
保護功能:UVLO
封裝:CL - 2025 - 03(2.5x2.0x1.04mm)
Torex特瑞仕XCL系列PoL非隔離電源模塊可用Cyntec電源模塊進行替代,具體替代方案可咨詢立維創展。
推薦資訊
XCL208A103DR是Torex特瑞仕一款超小型降壓DC-DC電源模塊,由Torex特瑞仕公司生產。該模塊尺寸僅2.5mm×2.15mm,高度1.05mm,集成線圈和控制IC,適用于空間受限的應用。支持1.8V至6.0V輸入電壓,輸出電壓0.8V至4.0V,最大輸出電流400mA,轉換效率高達90%,工作頻率3.0MHz,具備多種保護和控制功能,工作溫度范圍-40℃至+85℃,符合EU RoHS規格。
DATEL TF系列是一款高效、高性能的DC-DC轉換器,采用標準24引腳DIP封裝,適用于分布式電源架構、移動通信、工業應用和電池供電設備等多種場景。它提供高達15瓦的隔離輸出功率,支持寬輸入電壓范圍(9-36V或18-75V),并具備多種保護功能,如輸入欠壓鎖定、輸出短路保護、輸出過壓保護和過溫保護。該系列轉換器具有高效率(最高可達90%)、低空載功耗和工業級工作溫度范圍(-40°C至+85°C),能夠提供精確的穩壓輸出,范圍從3.3V到±15V。
在線留言