OH320-LA-61003CV壓控恒溫晶體振蕩器(VCOCXO)Connor-Winfield
發布時間:2024-07-16 09:22:21 瀏覽:1270

OH320-LA-61003CV是一款高性能的壓控恒溫晶體振蕩器(VCOCXO),由Connor Winfield公司生產。這款振蕩器專為需要極高頻率穩定性和精確控制的應用而設計。
主要特性:
輸出頻率: 提供10.0 MHz和12.8 MHz兩種頻率選項。
電源電壓: 3.3 Vdc,適用于低功耗應用。
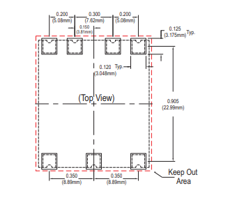
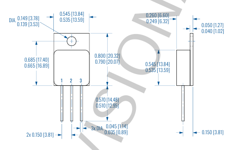
封裝類型: SM-FR4,尺寸為25.4x22毫米,適合表面貼裝技術。
頻率穩定性: ±10 ppb,確保在各種條件下都能保持極高的頻率精度。
溫度范圍: -40至85℃,適合在廣泛的溫度環境下工作。
輸出邏輯系列: LVCMOS,與數字系統兼容。
接地金屬蓋: 提供額外的電磁屏蔽和保護。
RoHS合規/無鉛: 符合環保標準。
操作規格:
中心頻率(Fo): 10.0 MHz或12.8 MHz。
頻率校準@ 25℃: ±0.1 ppm,確保出廠時的精確校準。
頻率穩定性vs溫度: ±10 ppb,即使在溫度變化下也能保持穩定。
相位抖動: 1.0 ps rms(在10 Hz至Fo/2帶寬內),表明低相位噪聲性能。
艾倫偏差(Tau=1s): 2.7E-12至5.0E-12,顯示了良好的短期頻率穩定性。
啟動時間: 500 ms,快速啟動以減少等待時間。
電壓控制輸入特性(僅VCOCXO):
控制電壓范圍: 0.0至3.3 V。
拉動范圍: ±0.4至±0.6 ppm,允許微調頻率。
輸入阻抗: 100K歐姆,適合與各種控制電路接口。
這款VCOCXO適用于通信、測量、導航和其他需要高精度頻率控制的應用。其緊湊的設計和優異的性能使其成為工業和科學應用中的理想選擇。
相關推薦:
供應Connor-Winfield溫度補償晶體振蕩器TCXO
供應Connor-Winfield壓控溫度補償晶體振蕩器VCTCXO
供應Connor-Winfield壓控恒溫晶體振蕩器VCOCXO
更多Connor-Winfield晶振產品可咨詢立維創展。
推薦資訊
Rogers? CLTE-MW?層壓板是陶瓷填充、玻璃纖維布強化的PTFE復合材料,適用于5G和其它毫米波應用。為PCB設計師帶來性能卓越、低成本的材料計劃方案,特別適用于因物理或電氣原因壁厚受到限制的應用。
Solitron SMF473 是一款400V N溝道功率MOSFET,專為高功率應用設計,具有低R DS(on)(400V時40mΩ,10V時22mΩ)、高耐壓(400V)、高輸入和輸出電容(C iss 2900pF,C oss 3900pF)以及低反向恢復電荷(Q rr 22nC)。其連續漏極電流ID為23A,脈沖漏極電流IDM為92A,最大功率耗散P為250W,線性降額因子2W/°C,工作溫度范圍-55°C至150°C。
在線留言