XCL211B082DR降壓DC/DC轉換器Torex
發布時間:2024-05-21 09:37:24 瀏覽:1292
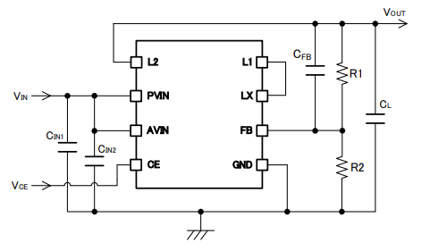
XCL211B082DR是一款由Torex生產的超小型降壓DC/DC轉換器,屬于XCL211系列。該系列產品將線圈和控制IC集成在一個封裝內,尺寸僅為3.1mm×4.7mm,高度為1.3mm,這種緊湊的設計簡化了電路板布局,并有助于減少因電路布線引起的錯誤動作或噪聲。

該轉換器的輸入電壓范圍為2.7V至6.0V,輸出電壓可以通過外部電阻從0.9V起任意設定,其反饋電壓為0.8V±2%。XCL211系列的工作頻率是固定的,這有助于抑制輸出紋波。軟啟動時間設定為1ms(典型值),確保輸出電壓能夠快速啟動。限定電流功能設定為4.0A(典型值),內置的UVLO功能在輸入電壓低于2.4V(典型值)時會強制停止內部驅動晶體管的工作,以保護電路。
當CE(Chip Enable)信號為低電平時,內置的CL放電功能會釋放負載電容(CL)中的電荷,從而將待機時的消耗電流控制在1.0μA以下,有助于降低功耗。
XCL211B082DR的主要技術參數包括:
- 效率:高達94%(在VIN=5.0V,VOUT=3.3V時)
- 輸出電流:2.0A
- 振蕩頻率:2.4MHz
- 最大占空比:100%
- 控制方式:PWM(XCL211)或PWM和PFM(XCL212)
- 功能:限流(自動返回)、軟啟動、CL放電、UVLO
- 輸出電容:推薦使用低ESR陶瓷電容
- 工作環境溫度:-40℃至85℃
- 包裝:USP-11B01
- 環保:符合歐盟RoHS標準,無鉛
XCL211B082DR適用于多種應用場景,包括筆記本電腦、打印機、平板電腦和便攜式導航設備(PND)等。其高效率、緊湊的尺寸和豐富的保護功能使其成為電子設備中電源管理的理想選擇。
推薦資訊
Renesas?供應差分或單端輸入電阻的射頻放大器,具有多種增益、噪聲因素和線性性能。這款產品選用創新性Zero-Distortion?技術工藝,可線形低電流損耗的高輸出IP3,明顯強于單增益模塊放大器。
Ampleon的 3.3-5.0 GHz S/C波段射頻功率晶體管,以其寬帶和高效特性,成為提升系統性能的優選方案。無論您的需求是何種5G應用,我們都能為您提供多種緊湊型射頻設備,讓您輕松選擇最適合您系統的無線電解決方案。選擇Ampleon,就是選擇高效能與可靠性的完美結合。
在線留言