使用二極管作為溫度傳感器
發布時間:2023-12-12 14:28:15 瀏覽:1367
可以想象,實現溫度傳感器或限值檢測電路的成本可能與所需的精度成正比。例如,混合化學品的精密機器可能需要在混合試劑之前將溶液加熱到精確和精確的點。在分析血液樣本之前,醫療設備也可能需要達到溫度。
使用半導體器件測量溫度
但是,在每個設計中進行嚴格的溫度測量并不重要。在許多情況下,可以使用簡單的大致值。以老式恒溫器為例。手動和機械調整提供了一個房間設置的“近似”溫度的針規。使用五位數精確校準和補償的溫度傳感系統是矯枉過正的,而且成本太高。
幸運的是,可以使用一種使用標準低成本二極管的常見且簡單的技術來制造相對精確的溫度傳感器。這取決于半導體結在反向偏置條件下的特性。反向電流與硅的溫度成正比。因此,一旦正確偏置,任何廉價二極管都可以產生與其溫度成正比的反向電壓。
如何構建溫度傳感器電路
電路的確切特性將取決于您選擇的二極管,但總體而言,?x uV/°C的關系是反向偏置硅結隨溫度變化的典型響應。
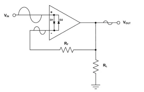
如何使用這些信息將取決于您的需求。例如,熱限位開關可以使用二極管和電阻偏置電路為比較器供電(圖 1)。這將在預定閾值處改變狀態,從而允許加熱器控制,例如,保持溫度范圍(注意,此處適用滯后以防止跳變點周圍的顫振振蕩)。

圖 1:反向偏置二極管結用作電流源 (I),其電流與溫度和電壓成正比。產生的電流將在檢測電阻器上產生電壓,可用于進行這種簡單的限值或閾值開關。
當與可變電阻器或數字微調器結合使用時,更復雜的運算放大器電路可以提供較低和較高電平的校準點(圖 2)。雖然反向電流響應在某種程度上是線性的,但會存在變化,因此,如果您使用的是嵌入式微控制器,并且需要找到一個精確的閾值,則可以參考查找表。

圖 2:模擬微調電位器或數字微調器可用于構建基本的校準電路,用于設置測量的下限和上限。
此外,還提供集成式半導體解決方案和評估套件,使設計人員能夠選擇用于遠程定位的二極管。這很方便,因為許多金屬二極管封裝可以熱安裝到需要監控的金屬機器上。
查看相關產品
德州儀器 (TI) 的一個示例套件是 LM95235EVAL 評估和開發系統,該系統可以使用二極管或晶體管作為溫度傳感器。晶體管可以使用集電極發射極結二極管作為檢測元件(圖 3),許多晶體管使用小型金屬罐封裝,這些封裝也可以很好地貼裝到被測單元上。

圖 3:基于二極管和晶體管的熱特性,像 Texas Instruments 的 LM95235 這樣的 IC 利用 PN 結的反向偏置行為,為遠程溫度測量提供 11 位精度。
雖然不如集成式校準和補償單片解決方案那樣可靠和準確,但 TI 開發套件展示了如何使用二極管和晶體管作為溫度傳感器來實現 11 位精度。這可以提供您需要的準確性,同時保持低成本。
上一篇: 什么是固態繼電器?如何工作?
推薦資訊
Safran Sensing Technologies地震加速度計應用內嵌或連接上構造中的傳感器網絡,適合于以下兩階段:設計思路的系統測試或構造在其發展周期內的一致性持續性監控。根據檢測范圍廣泛的物理現象,根據不同種類的傳感器監控關鍵性能參數。
DYTRAN? 3543A型是種機殼隔離式三軸IEPE加速度計,靈敏性為100mV/g,相對高度為0.60英寸(15.24mm),凈重量為15克。
在線留言