 
    
ANDON BGA 插座和適配器
發布時間:2021-08-30 17:02:30 瀏覽:1721
ANDON的BGA插座和適配器提供了將球柵列元器件安裝使用在PCB上的理想化方式。該機械設備焊接在適配器上,極大簡化了焊接檢驗和測試。然后將機械設備/適配器組件插入BGA插座,該插座長期性焊接到PCB。BGA適配器提供平頭或沉頭。ANDON的BGA插座能夠是表面安裝使用或通孔安裝使用。插座絕緣體由FR-4制作而成,可承載對流或紅外焊接。ANDON的BGA插座和適配器基本上能夠提供任何規格尺寸或配置,采用現有或定制設計構思的螺釘生產加工端子。
ANDON為全世界客戶提供了高性能電源插座產品,如CCD、光電、傳感器、電池等項目。產品廣泛運用于研發設計、軍事及高溫環境工程。深圳市立維創展科技有限公司,授權代理銷售ANDON產品,歡迎咨詢。
詳情了解ANDON請點擊:/brand/76.html
或聯系我們的銷售工程師:0755-83050846 QQ :3312069749
 
| LAPIS SEMICONDUCTOR Model Number | Andon Part Number | Terminal Type | Pin ? [in] | Figure Number | Page Number | |
| Thru-Hole | Surface Mount | |||||
| LFBGA84 | 17-10-03-84-XXX-R27-L14 | 437T | 329T | .010 | 1 | 1 | 
| LFBGA48 | 17-08-09-48-XXX-R27-L14 | 437T | 329T | .010 | 2 | 1 | 
| LFBGA144 | 17-13-02-144-XXX-R27-L14 | 437T | 329T | .010 | 3 | 1 | 
| LFBGA324 | 17-22-04-324-XXX-R27-L14 4 | 437T | 329T | .010 | 4 | 1 | 
推薦資訊
 
  
                                Winchester 2065系列 12G-SDI連接器是一款高端專業視頻傳輸解決方案,具有以下核心優勢:支持12Gbps傳輸速率(兼容4K UHD標準);全壓接設計適配多種電纜類型,現場安裝便捷;耐用性強(插拔壽命≥500次);
 
  
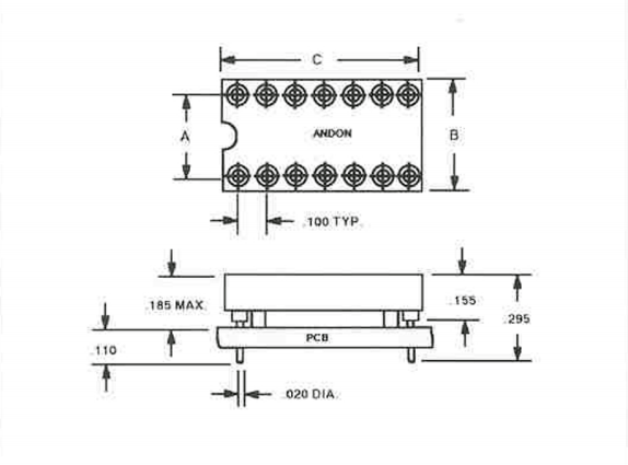
                                ANDON?的高溫200℃ DIP插座選用絕緣質料舉行集成和模壓,以完成非常佳的機械安全性。這些插座配有模壓支架,以完成非常大的焊接可視性。特色包含:非常大的絕緣籠蓋局限,以防備在高打擊和振動環境短路。一個易于裝備插入的引入倒角,一個關閉的底部,以防備焊料芯吸進入觸碰地區,以及用于精確安置在PCB。
 
    在線留言